北京市凌鹰起重机械厂
地址:北京市昌平区东小口
二十四小时手机:18611422091(同微信)
传真: 010-58043523
网址:www.j4e3.cn
抖音:lyqz18611422091
扫一扫加微信好友




变频调速电动葫芦是利用变频器使电源频率发生变化,以控制电动机的转速,使电动葫芦速度可以在一定范围内进行调整,满足生产和工作的需要。
变频调速电动葫芦的性能特点:减小起动、制动时的冲击。该电动葫芦具有平稳运转的性能,能减轻起动、制动时的冲击,特别适用于物品就位精度要求高不允许有冲击振动的工作环境??筛菔导适褂靡笊瓒üぷ魉俣龋和ü淦灯鞲谋涞缭雌德?,可以将起升速度在0.1倍额定速度与1倍额定速度之间设定,以适合工况;也可通过变频器对运行电动机速度进行设定,提高运行定位的准确性,还可以进行点动操作。
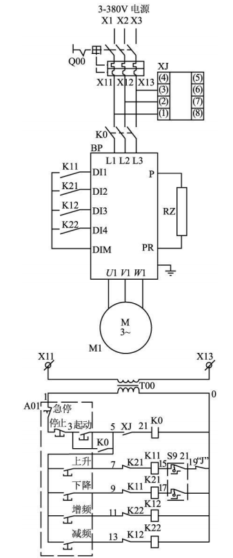
能提高工作效率:在空载下,可将起升速度子啊1倍额定速度与1.5倍额定速度之间任意设定,提高空载下的运行速度,以提高工作效率。变频器控制系统工作原理如下图:

?
?
上一条:确认起重葫芦吊运大型工件重心及吊点的方法
下一条:车间小件吊运工具手拉葫芦
北京市凌鹰起重机械厂
地址:北京市昌平区东小口
二十四小时手机:18611422091(同微信)
传真: 010-58043523
网址:www.j4e3.cn
抖音:lyqz18611422091
扫一扫加微信好友
